Medium temperature:-20℃~+180℃
Ambient temperature:-20℃~+60℃
Nominal pressure: 1.6 MPa
Control gas,gas,air
Air pressure:0.3~0.8 MPa
Specification: DN15-DN100
The valve body material CF8/CF8M
seat material:PTFE
Sealing ring material NBR
Stem material:304/316L

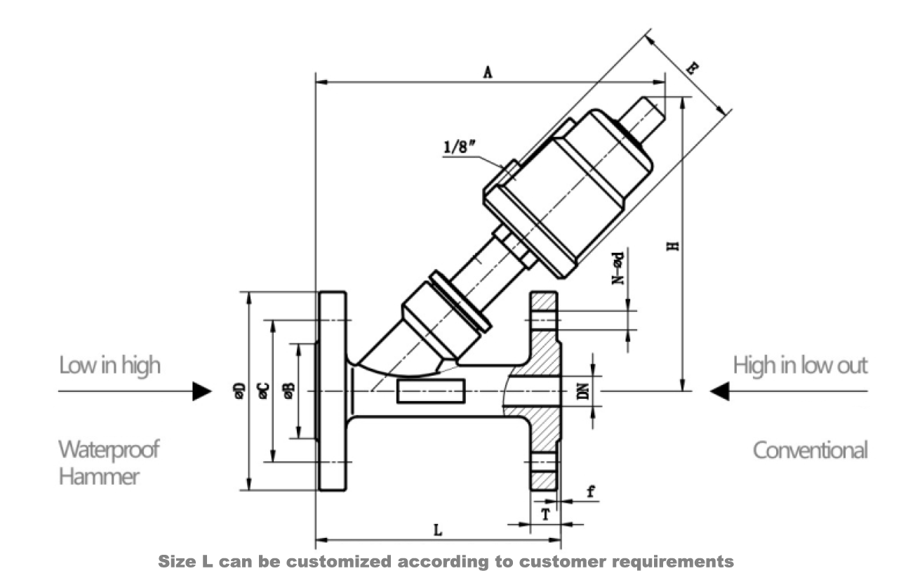
| Model | L | T | f | D | C | B | A | H | E | N-Φd | Actuator | Water proof hammer |
| DN15 | 130 | 14 | 2 | 95 | 65 | 40 | 185 | 155 | 62 | 4-Φ14 | Φ50 | Φ50 |
| DN20 | 130 | 14 | 2 | 105 | 75 | 50 | 185 | 155 | 62 | 4-Φ14 | Φ50 | Φ50 |
| DN25 | 140 | 14 | 2 | 115 | 85 | 60 | 210 | 165 | 62 | 4-Φ14 | Φ50 | Φ63 |
| DN32 | 150 | 16 | 2 | 135 | 100 | 70 | 225 | 195 | 76 | 4-Φ18 | Φ63 | Φ80 |
| DN40 | 180 | 16 | 2 | 145 | 110 | 80 | 240 | 205 | 76 | 4-Φ18 | Φ63 | Φ80 |
| DN50 | 195 | 16 | 2 | 160 | 125 | 92 | 265 | 230 | 76 | 4-Φ18 | Φ63 | Φ100 |
| DN65 | 230 | 18 | 2 | 185 | 145 | 115 | 290 | 265 | 96 | 4-Φ18 | Φ80 | Φ100 |
| DN80 | 250 | 18 | 2 | 195 | 160 | 130 | 330 | 300 | 114 | 8-Φ18 | Φ100 | Φ100 |
| DN100 | 300 | 18 | 2 | 215 | 180 | 150 | 350 | 320 | 114 | 8-Φ18 | Φ100 | Φ150 |
![]()
All stainless steel pneumatic flange angle seat valves are essential components used for efficient flow control in various industrial applications, including gas, oil, and steam systems. These valves are constructed from high-quality stainless steel, providing excellent durability and resistance to corrosion, making them suitable for demanding environments.
These valves are designed to offer reliable performance and precise control over fluid flow, making them indispensable in various industries. Their robust construction and pneumatic operation ensure they can handle high pressures and temperatures, contributing to the efficiency & safety of industrial processes.
Comprehensive product customization
Secondary Quality Testing Before Leaving The Factory
Increased Capacity Based on Customer Demand - Fast Delivery
Provide a Customized Service Process That Dits The Needs of Our Customer