1.Types: Slip-On, Welding Neck, Blind, Socket Welding, Threaded, Lap Joint and Plate etc;
2.Standard:
(1) ANSI B16.5, A105 150LB / 300LB / 600LB / 900LB / 1500LB / 2500LB
(2) DIN 2573 PN6 / DIN 2576 PN10 / DIN2502 PN16 / DIN2503 P25-40 / DIN2566 PN16 / DIN2631-2635 RST37.2 OR C22.8
(3) JIS SS400 OR SF440 5K / 10K / 16K / 20K / 30K
(4) UNI 2276 / 2277 / 2278 / 6084 / 6089 / 6090 / 2544 / 2282 / 6091-6093
(5) EN1092 PN6 / PN10 / PN16 / PN25 / PN40 / TYPE1 TYPE2 TYPE 5 TYPE 12 TYPE 13
(6) BS4504 SANI1123 1000/3, 1600/3, 2500/3, T/D, T/E, T/F carbon steel flange
(7) AS2129 TABLE D / TABLE H / TABLE E carbon steel flange
(8) GOST 12820-80 / 12821-80 carbon steel flange
3.Wall Thickness: Sch10, Sch20 , Sch30, STD, Sch40, XS,Sch80, Sch100, Sch120, Sch140, XXS;
4.Pressure Rating: Class 150LBS, 300LBS, 600LBS, 900LBS, 1500LBS, 2000LBS, 3000LBS, 6000LBS, 9000 LBS;
5.Size: 1/2" - 24";
6.Surface treatment: Anti-rust oil, black / yellow / transparent / electric galvanized / hot galvanized.

forged steel flange dimensions class150
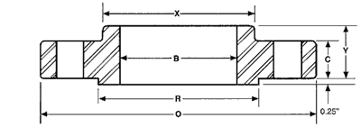
| Nominal size | Outside diam. of flange | Thick. of flange | Diam. of raised face | Diam of hub at base | Length thru hub | Diam. of bore | No. of holes | Diam. of holes | Diam. of bolts | Diam. of bolt circle | Approx. weight pounds Kg | |
| O | C | R | X | Y | B | |||||||
| in. | 1/2" | 3.5 | 0.44 | 1.38 | 1.19 | 0.62 | 0.88 | 4 | 0.62 | 1/2 | 2.38 | 1 |
| mm. | 88.9 | 11.2 | 35.1 | 30.2 | 15.7 | 22.4 | 15.7 | 12.7 | 60.5 | 0.5 | ||
| in. | 3/4" | 3.88 | 0.5 | 1.69 | 1.5 | 0.62 | 1.09 | 4 | 0.62 | 1/2 | 2.75 | 2 |
| mm. | 98.6 | 12.7 | 42.9 | 38.1 | 15.7 | 27.7 | 15.7 | 12.7 | 69.9 | 1 | ||
| in. | 1" | 4.25 | 0.56 | 2 | 1.94 | 0.69 | 1.36 | 4 | 0.62 | 1/2 | 3.12 | 2 |
| mm. | 108 | 14.2 | 50.8 | 49.3 | 17.5 | 34.5 | 15.7 | 12.7 | 79.2 | 1 | ||
| in. | 1 1/4" | 4.62 | 0.62 | 2.5 | 2.31 | 0.81 | 1.7 | 4 | 0.62 | 1/2 | 3.5 | 3 |
| mm. | 117.3 | 15.7 | 63.5 | 58.7 | 20.6 | 43.2 | 15.7 | 12.7 | 88.9 | 1 | ||
| in. | 1 1/2" | 5 | 0.69 | 2.88 | 2.56 | 0.88 | 1.95 | 4 | 0.62 | 1/2 | 3.88 | 3 |
| mm. | 127 | 17.5 | 73.2 | 65 | 22.4 | 49.5 | 15.7 | 12.7 | 98.6 | 1 | ||
| in. | 2" | 6 | 0.75 | 3.62 | 3.06 | 1 | 2.44 | 4 | 0.75 | 5/8 | 4.75 | 5 |
| mm. | 152.4 | 19.1 | 91.9 | 77.7 | 25.4 | 62 | 19.1 | 15.9 | 120.7 | 2 | ||
| in. | 2 1/2" | 7 | 0.88 | 4.12 | 3.56 | 1.12 | 2.94 | 4 | 0.75 | 5/8 | 5.5 | 7 |
| mm. | 177.8 | 22.4 | 104.6 | 90.4 | 28.4 | 74.7 | 19.1 | 15.9 | 139.7 | 3 | ||
| in. | 3" | 7.5 | 0.94 | 5 | 4.25 | 1.19 | 3.57 | 4 | 0.75 | 5/8 | 6 | 8 |
| mm. | 190.5 | 23.9 | 127 | 108 | 30.2 | 90.7 | 19.1 | 15.9 | 152.4 | 4 | ||
| in. | 3 1/2" | 8.5 | 0.94 | 5.5 | 4.81 | 1.25 | 4.07 | 8 | 0.75 | 5/8 | 7 | 11 |
| mm. | 215.9 | 23.9 | 139.7 | 122.2 | 31.8 | 103.4 | 19.1 | 15.9 | 177.8 | 5 | ||
| in. | 4" | 9 | 0.94 | 6.19 | 5.31 | 1.31 | 4.57 | 8 | 0.75 | 5/8 | 7.5 | 13 |
| mm. | 228.6 | 23.9 | 157.2 | 134.9 | 33.3 | 116.1 | 19.1 | 15.9 | 190.5 | 6 | ||
| in. | 5" | 10 | 0.94 | 7.31 | 6.44 | 1.44 | 5.66 | 8 | 0.88 | 3/4 | 8.5 | 15 |
| mm. | 254 | 23.9 | 185.7 | 163.6 | 36.6 | 143.8 | 22.4 | 19.1 | 215.9 | 7 | ||
| in. | 6" | 11 | 1 | 8.5 | 7.56 | 1.56 | 6.72 | 8 | 0.88 | 3/4 | 9.5 | 19 |
| mm. | 279.4 | 25.4 | 215.9 | 192 | 39.6 | 170.7 | 22.4 | 19.1 | 241.3 | 9 | ||
| in. | 8" | 13.5 | 1.12 | 10.62 | 9.69 | 1.75 | 8.72 | 8 | 0.88 | 3/4 | 11.75 | 30 |
| mm. | 342.9 | 28.4 | 269.7 | 246.1 | 44.5 | 221.5 | 22.4 | 19.1 | 298.5 | 14 | ||
| in. | 10" | 16 | 1.19 | 12.75 | 12 | 1.94 | 10.88 | 12 | 1 | 7/8 | 14.25 | 43 |
| mm. | 406.4 | 30.2 | 323.9 | 304.8 | 49.3 | 276.4 | 25.4 | 22.2 | 362 | 20 | ||
| in. | 12" | 19 | 1.25 | 15 | 14.38 | 2.19 | 12.88 | 12 | 1 | 7/8 | 17 | 64 |
| mm. | 482.6 | 31.8 | 381 | 365.3 | 55.6 | 327.2 | 25.4 | 22.2 | 431.8 | 29 | ||
| in. | 14" | 21 | 1.38 | 16.25 | 15.75 | 2.25 | 14.14 | 12 | 1.12 | 1 | 18.75 | 90 |
| mm. | 533.4 | 35.1 | 412.8 | 400.1 | 57.2 | 359.2 | 28.4 | 25.4 | 476.3 | 41 | ||
| in. | 16" | 23.5 | 1.44 | 18.5 | 18 | 2.5 | 16.16 | 16 | 1.12 | 1 | 21.25 | 98 |
| mm. | 596.9 | 36.6 | 469.9 | 457.2 | 63.5 | 410.5 | 28.4 | 25.4 | 539.8 | 44 | ||
| in. | 18" | 25 | 1.56 | 21 | 19.88 | 2.69 | 18.18 | 16 | 1.25 | 1 1/8 | 22.75 | 130 |
| mm. | 635 | 39.6 | 533.4 | 505 | 68.3 | 461.8 | 31.8 | 28.6 | 577.9 | 59 | ||
| in. | 20" | 27.5 | 1.69 | 23 | 22 | 2.88 | 20.2 | 20 | 1.25 | 1 1/8 | 25 | 165 |
| mm. | 698.5 | 42.9 | 584.2 | 558.8 | 73.2 | 513.1 | 31.8 | 28.6 | 635 | 75 | ||
| in. | 24" | 32 | 1.88 | 27.25 | 26.12 | 3.25 | 24.25 | 20 | 1.38 | 1 1/4 | 29.5 | 220 |
| mm. | 812.8 | 47.8 | 692.2 | 663.4 | 82.6 | 616 | 35.1 | 31.8 | 749.3 | 100 | ||

forged steel flange dimensions class300
| Nominal size | Outside diam. of flange | Thick. of flange | Diam. of raised face | Diam of hub at base | Length thru hub | Diam. of bore | No. of holes | Diam. of holes | Diam. of bolts | Diam. of bolt circle | Approx. weight pounds Kg | |
| O | C | R | X | Y | B | |||||||
| in. | 1/2" | 3.75 | 0.56 | 1.38 | 1.5 | 0.88 | 0.88 | 4 | 0.62 | 1/2 | 2.62 | 2 |
| mm. | 95.3 | 14.2 | 35.1 | 38.1 | 22.4 | 22.4 | 15.7 | 12.7 | 66.5 | 1 | ||
| in. | 3/4" | 4.62 | 0.62 | 1.69 | 1.88 | 1 | 1.09 | 4 | 0.75 | 5/8 | 3.25 | 3 |
| mm. | 117.3 | 15.7 | 42.9 | 47.8 | 25.4 | 27.7 | 19.1 | 15.9 | 82.6 | 1 | ||
| in. | 1" | 4.88 | 0.69 | 2 | 2.12 | 1.06 | 1.36 | 4 | 0.75 | 5/8 | 3.5 | 3 |
| mm. | 124 | 17.5 | 50.8 | 53.8 | 26.9 | 34.5 | 19.1 | 15.9 | 88.9 | 1 | ||
| in. | 1 1/4" | 5.25 | 0.75 | 2.5 | 2.5 | 1.06 | 1.7 | 4 | 0.75 | 5/8 | 3.88 | 4 |
| mm. | 133.4 | 19.1 | 63.5 | 63.5 | 26.9 | 43.2 | 19.1 | 15.9 | 98.6 | 2 | ||
| in. | 1 1/2" | 6.12 | 0.81 | 2.88 | 2.75 | 1.19 | 1.95 | 4 | 0.88 | 3/4 | 4.5 | 6 |
| mm. | 155.4 | 20.6 | 73.2 | 69.9 | 30.2 | 49.5 | 22.4 | 19.1 | 114.3 | 3 | ||
| in. | 2" | 6.5 | 0.88 | 3.62 | 3.31 | 1.31 | 2.44 | 8 | 0.75 | 3/4 | 5 | 7 |
| mm. | 165.1 | 22.4 | 91.9 | 84.1 | 33.3 | 62 | 19.1 | 15.9 | 127 | 3 | ||
| in. | 2 1/2" | 7.5 | 1 | 4.12 | 3.94 | 1.5 | 2.94 | 8 | 0.88 | 3/4 | 5.88 | 10 |
| mm. | 190.5 | 25.4 | 104.6 | 100.1 | 38.1 | 74.7 | 22.4 | 19.1 | 149.4 | 5 | ||
| in. | 3" | 8.25 | 1.12 | 5 | 4.62 | 1.69 | 3.57 | 8 | 0.88 | 3/4 | 6.62 | 13 |
| mm. | 209.6 | 28.4 | 127 | 117.3 | 42.9 | 90.7 | 22.4 | 19.1 | 168.1 | 6 | ||
| in. | 3 1/2" | 9 | 1.19 | 5.5 | 5.25 | 1.75 | 4.07 | 8 | 0.88 | 3/4 | 7.25 | 17 |
| mm. | 228.6 | 30.2 | 139.7 | 133.4 | 44.5 | 103.4 | 22.4 | 19.1 | 184.2 | 8 | ||
| in. | 4" | 10 | 1.25 | 6.19 | 5.75 | 1.88 | 4.57 | 8 | 0.88 | 3/4 | 7.88 | 22 |
| mm. | 254 | 31.8 | 157.2 | 146.1 | 47.8 | 116.1 | 22.4 | 19.1 | 200.2 | 10 | ||
| in. | 5" | 11 | 1.38 | 7.31 | 7 | 2 | 5.66 | 8 | 0.88 | 3/4 | 9.25 | 28 |
| mm. | 279.4 | 35.1 | 185.7 | 177.8 | 50.8 | 143.8 | 22.4 | 19.1 | 235 | 13 | ||
| in. | 6" | 12.5 | 1.44 | 8.5 | 8.12 | 2.06 | 6.72 | 12 | 0.88 | 3/4 | 10.62 | 39 |
| mm. | 317.5 | 36.6 | 215.9 | 206.2 | 52.3 | 170.7 | 22.4 | 19.1 | 269.7 | 18 | ||
| in. | 8" | 15 | 1.62 | 10.62 | 10.25 | 2.44 | 8.72 | 12 | 1 | 7/8 | 13 | 58 |
| mm. | 381 | 41.1 | 269.7 | 260.4 | 62 | 221.5 | 25.4 | 22.2 | 330.2 | 26 | ||
| in. | 10" | 17.5 | 1.88 | 12.75 | 12.62 | 2.62 | 10.88 | 16 | 1.12 | 1 | 15.25 | 81 |
| mm. | 444.5 | 47.8 | 323.9 | 320.5 | 66.5 | 276.4 | 28.4 | 25.4 | 387.4 | 37 | ||
| in. | 12" | 20.5 | 2 | 15 | 14.75 | 2.88 | 12.88 | 16 | 1.25 | 1 1/8 | 17.75 | 115 |
| mm. | 520.7 | 50.8 | 381 | 374.7 | 73.2 | 327.2 | 31.8 | 28.6 | 450.9 | 52 | ||
| in. | 14" | 23 | 2.12 | 16.25 | 16.75 | 3 | 14.14 | 20 | 1.25 | 1 1/8 | 20.25 | 165 |
| mm. | 584.2 | 53.8 | 412.8 | 425.5 | 76.2 | 359.2 | 31.8 | 28.6 | 514.4 | 75 | ||
| in. | 16" | 25.5 | 2.25 | 18.5 | 19 | 3.25 | 16.16 | 20 | 1.38 | 1 1/4 | 22.5 | 190 |
| mm. | 647.7 | 57.2 | 469.9 | 482.6 | 82.6 | 410.5 | 35.1 | 31.8 | 571.5 | 86 | ||
| in. | 18" | 28 | 2.38 | 21 | 21 | 3.5 | 18.18 | 24 | 1.38 | 1 1/4 | 24.75 | 250 |
| mm. | 711.2 | 60.5 | 533.4 | 533.4 | 88.9 | 461.8 | 35.1 | 31.8 | 628.7 | 113 | ||
| in. | 20" | 30.5 | 2.5 | 23 | 23.12 | 3.75 | 20.2 | 24 | 1.38 | 1 1/4 | 27 | 315 |
| mm. | 774.7 | 63.5 | 584.2 | 587.2 | 95.3 | 513.1 | 35.1 | 31.8 | 685.8 | 143 | ||
| in. | 24" | 36 | 2.75 | 27.25 | 27.62 | 4.19 | 24.25 | 24 | 1.62 | 1 1/2 | 32 | 475 |
| mm. | 914.4 | 69.9 | 692.2 | 701.5 | 106.4 | 616 | 41.1 | 38.1 | 812.8 | 215 | ||

forged steel flange dimensions class600
| Nominal size | Outside diam. of flange | Thick. of flange | Diam. of raised face | Diam of hub at base | Length thru hub | Diam. of bore | No. of holes | Diam. of holes | Diam. of bolts | Diam. of bolt circle | Approx. weight pounds Kg |
| O | C | R | X | Y | B | ||||||
| 1/2" | 3.75 | 0.56 | 1.38 | 1.5 | 0.88 | 0.88 | 4 | 0.62 | 1/2 | 2.62 | 2 |
| 95.3 | 14.2 | 35.1 | 38.1 | 22.4 | 22.4 | 15.7 | 12.7 | 66.5 | 1 | ||
| 3/4" | 4.62 | 0.62 | 1.69 | 1.88 | 1 | 1.09 | 4 | 0.75 | 5/8 | 3.25 | 3 |
| 117.3 | 15.7 | 42.9 | 47.8 | 25.4 | 27.7 | 19.1 | 15.9 | 82.6 | 1 | ||
| 1" | 4.88 | 0.69 | 2 | 2.12 | 1.06 | 1.36 | 4 | 0.75 | 5/8 | 3.5 | 4 |
| 124 | 17.5 | 50.8 | 53.8 | 26.9 | 34.5 | 19.1 | 15.9 | 88.9 | 2 | ||
| 1 1/4" | 5.25 | 0.81 | 2.5 | 2.5 | 1.12 | 1.7 | 4 | 0.75 | 5/8 | 3.88 | 5 |
| 133.4 | 20.6 | 63.5 | 63.5 | 28.4 | 43.2 | 19.1 | 15.9 | 98.6 | 2 | ||
| 1 1/2" | 6.12 | 0.88 | 2.88 | 2.75 | 1.25 | 1.95 | 4 | 0.88 | 3/4 | 4.5 | 7 |
| 155.4 | 22.4 | 73.2 | 69.9 | 31.8 | 49.5 | 22.4 | 19.1 | 114.3 | 3 | ||
| 2" | 6.5 | 1 | 3.62 | 3.31 | 1.44 | 2.44 | 8 | 0.75 | 5/8 | 5 | 9 |
| 165.1 | 25.4 | 91.9 | 84.1 | 36.6 | 62 | 19.1 | 15.9 | 127 | 4 | ||
| 2 1/2" | 7.5 | 1.12 | 4.12 | 3.94 | 1.62 | 2.94 | 8 | 0.88 | 3/4 | 5.88 | 13 |
| 190.5 | 28.4 | 104.6 | 100.1 | 41.1 | 74.7 | 22.4 | 19.1 | 149.4 | 6 | ||
| 3" | 8.25 | 1.25 | 5 | 4.62 | 1.81 | 3.57 | 8 | 0.88 | 3/4 | 6.62 | 16 |
| 209.6 | 31.8 | 127 | 117.3 | 46 | 90.7 | 22.4 | 19.1 | 168.1 | 7 | ||
| 3 1/2" | 9 | 1.38 | 5.5 | 5.25 | 1.94 | 4.07 | 8 | 1 | 7/8 | 7.25 | 21 |
| 228.6 | 35.1 | 139.7 | 133.4 | 49.3 | 103.4 | 25.4 | 22.2 | 184.2 | 10 | ||
| 4" | 10.75 | 1.5 | 6.19 | 6 | 2.12 | 4.57 | 8 | 1 | 7/8 | 8.5 | 37 |
| 273.1 | 38.1 | 157.2 | 152.4 | 53.8 | 116.1 | 25.4 | 22.2 | 215.9 | 17 | ||
| 5" | 13 | 1.75 | 7.31 | 7.44 | 2.38 | 5.66 | 8 | 1.12 | 1 | 10.5 | 63 |
| 330.2 | 44.5 | 185.7 | 189 | 60.5 | 143.8 | 28.4 | 25.4 | 266.7 | 29 | ||
| 6" | 14 | 1.88 | 8.5 | 8.75 | 2.62 | 6.72 | 12 | 1.12 | 1 | 11.5 | 80 |
| 355.6 | 47.8 | 215.9 | 222.3 | 66.5 | 170.7 | 28.4 | 25.4 | 292.1 | 36 | ||
| 8" | 16.5 | 2.19 | 10.62 | 10.75 | 3 | 8.72 | 12 | 1.25 | 1 1/8 | 13.75 | 115 |
| 419.1 | 55.6 | 269.7 | 273.1 | 76.2 | 221.5 | 31.8 | 28.6 | 349.3 | 52 | ||
| 10" | 20 | 2.5 | 12.75 | 13.5 | 3.38 | 10.88 | 16 | 1.38 | 1 1/4 | 17 | 170 |
| 508 | 63.5 | 323.9 | 342.9 | 85.9 | 276.4 | 35.1 | 31.8 | 431.8 | 77 | ||
| 12" | 22 | 2.62 | 15 | 15.75 | 3.62 | 12.88 | 20 | 1.38 | 1 1/4 | 19.25 | 200 |
| 558.8 | 66.5 | 381 | 400.1 | 91.9 | 327.2 | 35.1 | 31.8 | 489 | 91 | ||
| 14" | 23.75 | 2.75 | 16.25 | 17 | 3.69 | 14.14 | 20 | 1.5 | 1 3/8 | 20.75 | 230 |
| 603.3 | 69.9 | 412.8 | 431.8 | 93.7 | 359.2 | 38.1 | 34.9 | 527.1 | 104 | ||
| 16" | 27 | 3 | 18.5 | 19.5 | 4.19 | 16.16 | 20 | 1.62 | 1 1/2 | 23.75 | 330 |
| 685.8 | 76.2 | 469.9 | 495.3 | 106.4 | 410.5 | 41.1 | 38.1 | 603.3 | 150 | ||
| 18" | 29.25 | 3.25 | 21 | 21.5 | 4.62 | 18.18 | 20 | 1.75 | 1 5/8 | 25.75 | 400 |
| 743 | 82.6 | 533.4 | 546.1 | 117.3 | 461.8 | 44.5 | 41.3 | 654.1 | 181 | ||
| 20" | 32 | 3.5 | 23 | 24 | 5 | 20.2 | 24 | 1.75 | 1 5/8 | 28.5 | 510 |
| 812.8 | 88.9 | 584.2 | 609.6 | 127 | 513.1 | 44.5 | 41.3 | 723.9 | 231 | ||
| 24" | 37 | 4 | 27.25 | 28.25 | 5.5 | 24.25 | 24 | 2 | 1 7/8 | 33 | 730 |
| 939.8 | 101.6 | 692.2 | 717.6 | 139.7 | 616 | 50.8 | 47.6 | 838.2 | 331 |
Comprehensive product customization
Secondary Quality Testing Before Leaving The Factory
Increased Capacity Based on Customer Demand - Fast Delivery
Provide a Customized Service Process That Dits The Needs of Our Customer