Medium temperature:-20℃~+180℃
Ambient temperature:-20℃~+60℃
Nominal pressure: 1.6 MPa
Control gas,gas,air
Air pressure: 0.3~0.8 MPa
Specification: DN15-DN125
The valve body material: CF8/CF8M
seat material:PTFE
Stem material: 304/316L
Sealing ring material: NBR
![]()
Flange standard: HG5010-58/PN10/PN16,Can be customized according to user PN25,GB/T9113,HG20593,ISO,DIN,JIS and other stanards.
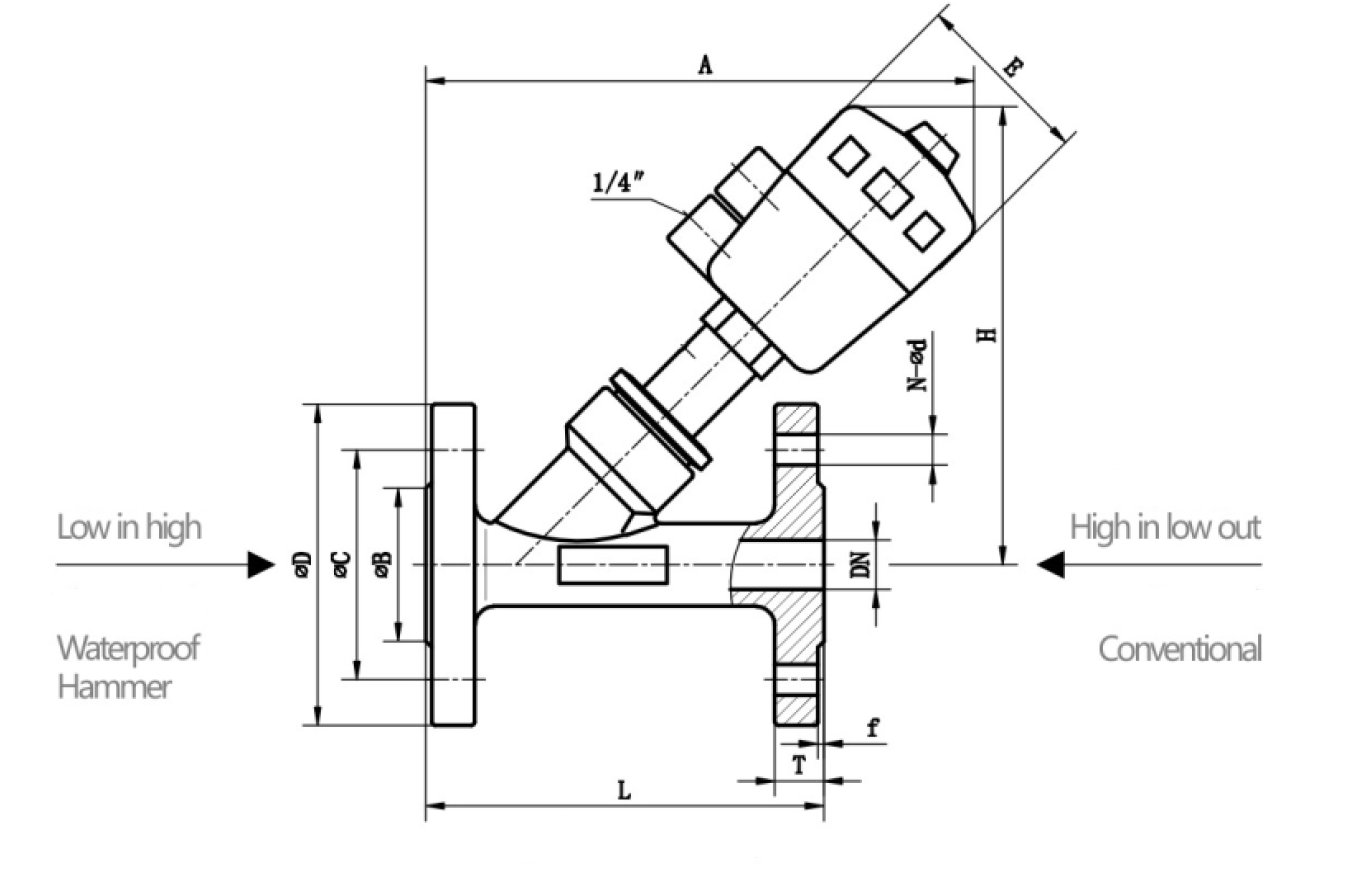
| Model | L | T | f | D | C | B | A | H | E | N-Φd | Actuator | Waterproof hammer |
| DN15 | 130 | 14 | 2 | 95 | 65 | 40 | 185 | 160 | 64 | 4-Φ14 | Φ50 | Φ50 |
| DN20 | 130 | 14 | 2 | 105 | 75 | 50 | 185 | 160 | 64 | 4-Φ14 | Φ50 | Φ50 |
| DN25 | 140 | 14 | 2 | 115 | 85 | 60 | 200/230 | 170/205 | 64/80 | 4-Φ14 | Φ50/Φ63 | Φ63 |
| DN32 | 150 | 16 | 2 | 135 | 100 | 70 | 240 | 210 | 80 | 4-Φ18 | Φ63 | Φ80 |
| DN40 | 180 | 16 | 2 | 145 | 110 | 80 | 250 | 215 | 80 | 4-Φ18 | Φ63 | Φ80 |
| DN50 | 195 | 16 | 2 | 160 | 125 | 92 | 260/280 | 220/230 | 80/100 | 4-Φ18 | Φ63/Φ80 | Φ100 |
| DN65 | 230 | 18 | 2 | 185 | 145 | 115 | 300 | 270 | 100 | 4-Φ18 | Φ80 | Φ100 |
| DN80 | 250 | 18 | 2 | 195 | 160 | 130 | 360 | 310 | 126 | 8-Φ18 | Φ100 | Φ125 |
| DN100 | 300 | 18 | 2 | 215 | 180 | 150 | 380 | 330 | 126 | 8-Φ18 | Φ100 | Φ125 |
![]()
Plastic head pneumatic flange angle seat valves are specialized valves designed for efficient flow control in industrial applications, featuring a lightweight plastic head and a durable stainless steel body. They operate within an ambient temperature range of -20°C to +60°C and a nominal pressure of 1.6 MPa, requiring an air pressure of 0.3 to 0.8 MPa for optimal performance.
Known for thei sensitive response and accurate action, these valves are ideal for applications involving steam, water, and gas systems, ensuring reliable fluid flow management. The flange design allows for easy installation in pipiing systems, making them essential components for maintaining efficiency and safety in various
Comprehensive product customization
Secondary Quality Testing Before Leaving The Factory
Increased Capacity Based on Customer Demand - Fast Delivery
Provide a Customized Service Process That Dits The Needs of Our Customer